11

Drip Drop:
EEG in Liquid

21.10.2024 ~ 27.10.2024

Action Painting


Another surrealist technique to focus on this week. Action Painting is a style that took shape in the 1940s and 1950s within the Abstract Expressionist movement in the U.S. The main theme of this technique is the movement, energy, and presence of the artist, who applies paint with spontaneous gestures—dripping, splashing, and smearing it directly onto the canvas. The result is a painting that captures the raw, immediate expression.

Typically, Action Painters work on large canvases laid flat on the floor, allowing them to move freely around the surface. Jackson Pollock, for example, would pour or fling paint from above, creating fluid, rhythmic patterns that recorded his physical interaction with the canvas. This broke away from traditional painting techniques, with less focus on precise composition and more on the artist’s direct experience.

Ideation

Originally, I was inspired by a video showing an Arduino-controlled servo motor moving a canvas while an artist painted on it, creating unexpected results. Initially, I thought about adapting this setup by removing the painter and instead attaching fixed paint nozzles, so that everything could be controlled via EEG signals.

Another similar idea I considered was using beads dipped in paint, maneuvered across the canvas by servo motors to create drawings. But I imagine this would result in a similar outcome as the drawing machine experiment. Also, it doesn't have the same appeal of an illusionary "limb".

I also thought about using servo motors to control the vertical motion of a brush for marble painting. I'm planning to explore this idea over the next few weeks, but since I've already spent a lot of time on projects that involve servo motors, I’would like to try something different this time.

Random Diversity

So I decided to change the focus to water pumps as a more straightforward and controllable method for controlling the paint. My friend in Korea had posted on social media about an installation that was incredibly related to what I needed this week.

“Random Diversity" is an interactive installation that uses EEG to explore personal emotions and memories. Attendees wear an EEG headband and look at an image of their choosing. Then they receive a bottle that contains a colour that represents their emotional state based on EEG readings.

While the participants cannot see the process of the colours being “extracted,” I imagine that it is using water pumps to send paint based on the EEG recordings.

Each bottle's colour is linked to specific emotions and memories from the image that they were viewing, which participants can revisit by scanning its barcode.

New Experiment


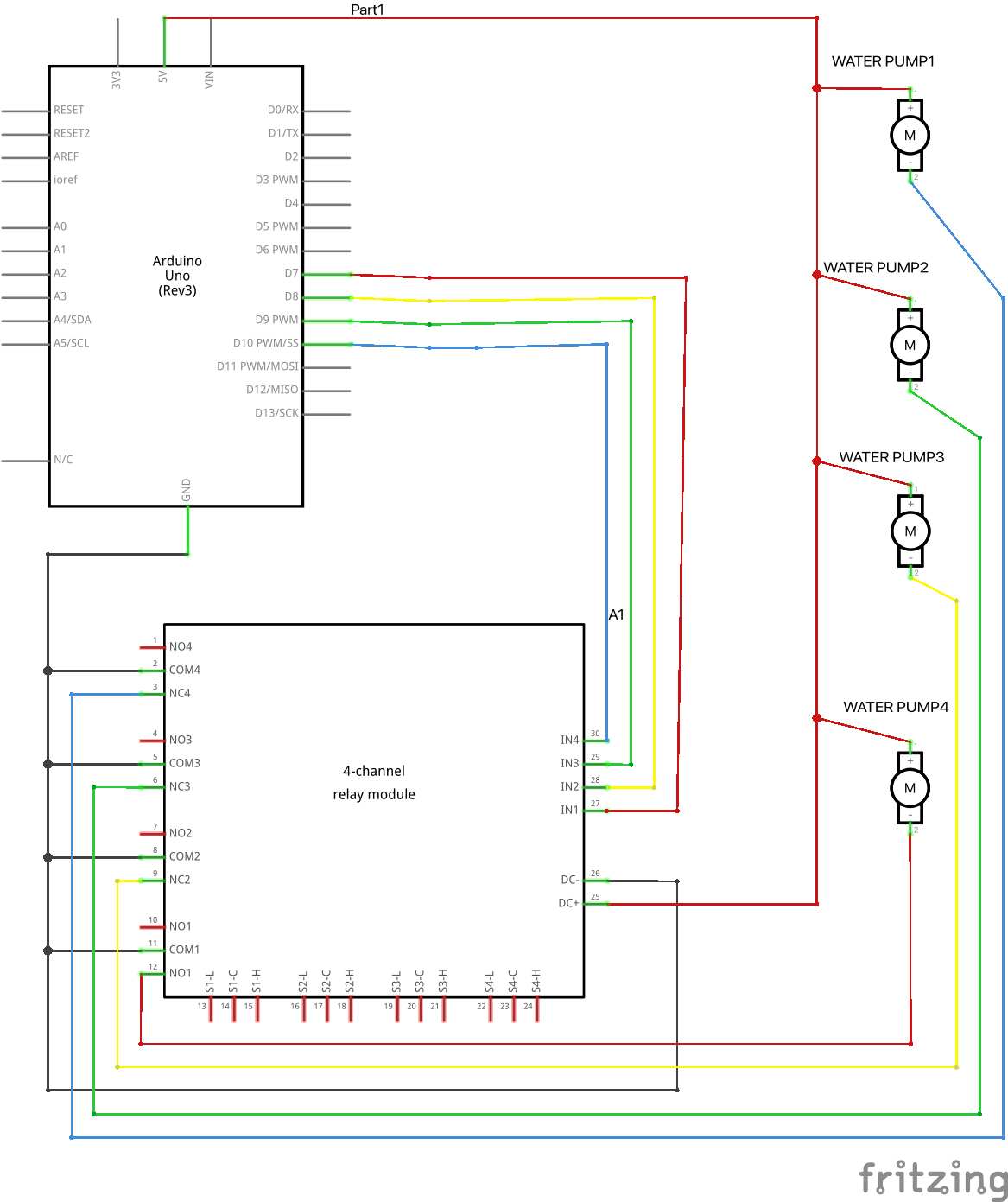
The setup now involves an Arduino microcontroller connected to a 4-channel relay module which controls four 12V water pumps, each dedicated to a different colour. The relay enables separate control of each pump, turning EEG signals processed by the Arduino into commands for the pumps.

During the initial tests with a single pump, I discovered that the water continued to drip due to gravity when the paint container was too high. Aligning the container with the pump height solved this issue. Additionally, a 9V power supply proved insufficient unless the pump was fully submerged, which then allowed for proper operation.

I was met with an issue with the relay connections at first; connecting the pump ground directly to the power source ground led to malfunctions. Correcting this by connecting the pump ground to the relay, and the relay’s common ground to the power source, resolved the problem.

For the full system setup, I connected the ground of each pump to the relay module, with their positive lines connected to a shared 12V power supply on the breadboard. I used Arduino's digital pins to control each relay channel. To prevent unintentional dripping, I kept the paint level in each bucket below the hose end. This ensured that the paint dripped only in response to EEG signals.

While the water pump experiment is heading in a good direction, the current experiment seems like it is just mimicking “Random Diversity.” I don’t mind that at the moment, but it would be nice if I can explore this further in the future.

A Live Printer

Building on previous explorations of automatic writing and music, I've been drawn to the idea of real-time printing. Reading about the myograph, a 19th century device used to record muscle contractions on a moving strip of paper—sparked my interest in creating a modern equivalent.

While my earlier experiment with a drawing machine, which uses a physical pen, could be very relevant to this idea, I wanted something faster and more contemporary. Something like a modern typewriter with real time output.

For this, I’m looking into an arduino compatible thermal printer. This is a compact, low-maintenance device that prints text or images using heat on special thermal paper, without any ink or toner. It’s what you'd see in receipts or label printers in kiosks.

These printers connect easily to Arduino boards via serial communication and typically run on low power, around 5 to 9V. The code can adjust fonts, spacing, and formatting. The printer’s setup is simple but flexible, and ideal for real-time and portable printing.